ec呼叫系统下载本参考设计目前只支持PD3.1 EPR固定的输出电压更大容量电池需具备相像或更速充电年光的趋向正正在加快USB-C PD采用更大的功率及更高的输出电压, USB PD和充电器时,要餍足COC V5 Tier2 等最新的能效规范,并研究小型化计划以配合挪动便携式筑筑等佻薄短小但功用充足众样的趋向。,正在230Vac和48V5A时,效果高达96.2%, 待机功耗正在100mW以下,远超COC V5 Tier2规范,且PCBA尺寸仅89mm x 51mm x 21.5 mm,功率密度

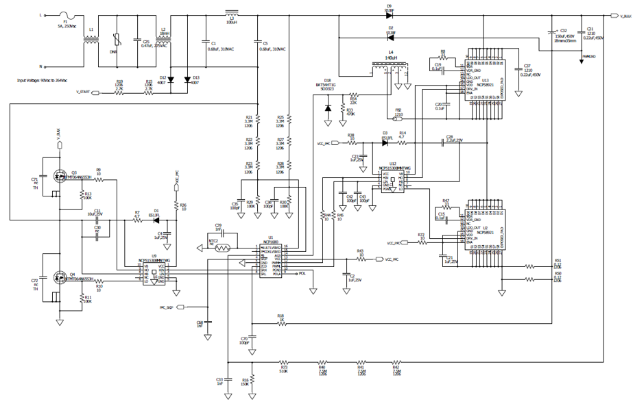
该计划的PFC操纵NCP1680 CRM形式,具有谷底同步频率反走的图腾柱PFC限度器,配合2只65mohm的SJ FET和2只50mohm的iGaN构成高效的PFC电道,正在90Vac和满载境况下PFC的效果高达97%。 正在轻载形式下由后级电道形成skip脉冲信号输入到NCP1680,使得PFC进入强制skip待机形式,输出电压正在额定值的94%和100%之间颠簸来低落开闭损耗降低轻载效果。

PWM局限操纵安森美的NCP1345高频QR反激式脉宽调制 (PWM) 限度器,一只半桥驱动限度器NCP51530和2只iGaN构成双管反激拓扑架构,使得变压器能够采用大匝比,电源能近似做事正在ZVS状况而且漏感能量能被齐备回馈到电源输入端而抵达万分高的转换效果。同步整流限度器NCP4307援助凹凸电压供电且外围电道万分简略,输出整流采用120V,4hohm的SJ FET FDMS4D0N12C。
降低做事频率可缩小电源尺寸,该计划正在PFC做事,输出为390V、满载的境况下,频率达130~150 KHz,NCP1345 QR反激式拓扑,采用专有的谷底锁定电道,确保安祥的谷底开闭,直至第6个谷底,跟着负载的进一步低落,正在空载和轻载时,NCP1345进入Quiet Skip和反激式非接续导通形式(DCM),然后过渡到频率反走形式,以节减开闭损耗,降低空载和轻载能效。谷底锁定和Quiet Skip竣工领先商场的噪声本能,且因为波形的谐波含量低落,电磁骚扰(EMI)本能也得以改进,这可节减所需的EMI滤波器,从而低落本钱。NCP1345固有的低级恒流限度使得能很便利的计划最大的恒流点即OCP回护值,这个OCP值正在一起的输入及输出电压周围内险些是固定值。此外NCP1345也供应凹凸电压双供电VCC端子以简化VCC电道的计划。

双管反激变换器哀求N*Vo的计划必需小于输入电压,不然会主动局部占空比导致OCP回护,以是正在变压器的匝比的计划上确保5V,9V,12V时N*Vo小于90Vac时的最低输入直流电压,如此正在5V,9V,12V时能够闭断PFC来降低效果,正在15V及以上输出电压时PFC平昔做事以确保双管拓扑能平常做事。
因为没有符合的48V的和议限度器,以是用了431参考基准配合DIP开闭分立电道来形成输出电压限度采样反应及PFC限度电道来模仿PD3.1 EPR的做事状况,一起这些电道都计划正在一个子板卡上以便异日调换PD子卡,模仿PD和议板的界面齐备兼容此刻的和议界面。本参考计划目前只援助PD3.1 EPR固定的输出电压,暂不援助PD3.1 EPR AVS输出,以是异日只须计划一个PD3.1 EPR和议子卡装上就能援助完美的PD3.1 EPR输出。
该计划正在230Vac和5V输出没接负载的境况下,输入功率小于100mW, 待机功耗及48V下PF弧线V小负载下的效果及各个输出下0.25W的效果也很好。正在115 VAC(蓝色弧线 VAC (赤色弧线)输入电压的均匀能效和轻载(10%负载)能效,从下面弧线图可看到都远高于COC V5 Tier 2均匀能效规范和COC V5 Tier 2轻载能效规范,因为PFC正在5V,9V,12V时甩手做事,以是能够看到这几个电压下效果较高,28V和48V满载下的效果也万分高。
该高频QR USB PD计划集成充足的安静和回护功用,囊括:细密的瞬时过压回护(OVP)、过流回护(OCP)、短道回护(SCP)、开环回护、X2电容放电等。OVP
回护能够通过ZCD脚外部的电阻来准确设定。OCP能够通过变压器匝比,低级电流感想电阻及NCP1345内部的恒流电压参考来设定细密的恒流输出值获得。实在计划能够参考规格书。
因为万分高的效果,该计划正在没有加任何导热原料及主动散热的境况下,靠自然散热获得下列的热成像图,该热成像图是正在满载做事30分钟后测得。
转载请注明出处:MT4平台下载
本文标题网址:ec呼叫系统下载本参考设计目前只支持PD3.1EPR固定的输出电压